Hoist Ring, Shackle, 4,000 lb Load Limit, 3/8-16 x 5/8" Screw Size
(Pack of
1)
SKU:1423459 Item#: 1423459
The Shackle Hoist Ring is used for OEM applications and permanent mounting on dies, molds, fixtures or equipment. Can be bolted or welded in place.
Alloy Steel, Black Oxide Finish
Swivel 360° and Pivot 180° Under Load
Design Factor = 5.1
Magnetic Particle Inspected Per ASTM 1444
Ideal for lifting large and heavy structures
Product Description
The Shackle Hoist Ring is used for OEM applications and permanent mounting on dies, molds, fixtures or equipment. Can be bolted or welded in place. Alloy Steel, Black Oxide Finish
Swivel 360° and Pivot 180° Under Load
Design Factor = 5.1
Magnetic Particle Inspected Per ASTM 1444
Ideal for lifting large and heavy structures
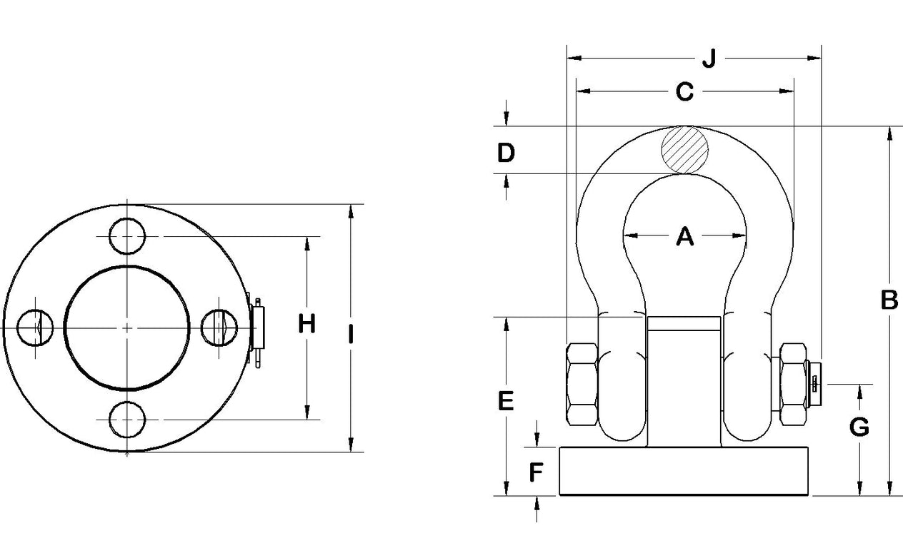
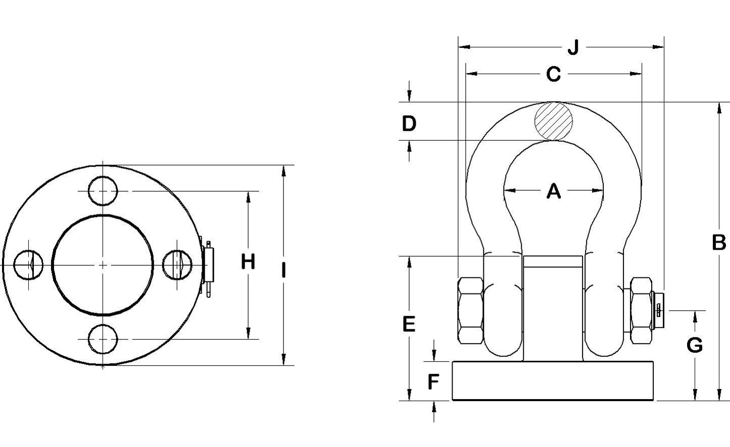
Technical Specifications
| Item#: | 1423459 |
|---|---|
| Type | Shackle |
| Thread Size | 3/8-16 |
| Screw Length | 5/8 " |
| Number of Screws | 4 |
| Material | Alloy Steel |
| Finish | Black Oxide |
| Working Load Limit | 4,000 lb |
| Swivel | 360 ° |
| Pivot | 180 ° |
| Dimension A | 1.31 " |
| Dimension B | 3.91 " |
| Dimension C | 2.31 " |
| Dimension D | 1/2 " |
| Dimension E | 1.91 " |
| Dimension F | 0.52 " |
| Dimension G | 1.21 " |
| Dimension H | 2.10 " |
| Dimension I | 2.90 " |
| Dimension J | 2.80 " |
| UNSPSC #: | 24101602 |
| TAA Compliant: | Yes |
